Документация
Подробный каталог компонентов фирмы KANYA находится в нашей библиотеке.
читать >>>
Библиотека  Вся докуменация, более 10 гигабайт, доступна в нашей библиотеке. Библиотека документации >>>
|
Основание 20 мм
|
|
Тип
|
Вес [кг/м]
|
Ix,y [см4]
|
Wx,y [см3]
|
Стр. каталога
|
|
|
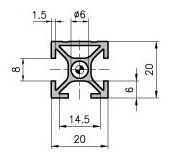
Базовый 20 х 20 тип D01-5
Позволяет решать множество конструкционных задач, благодаря
прекрасному сочетанию веса и жесткости.
|
0,38
|
0,60
|
0,60
|
64
|
|
|
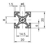
Односторонний 20 х 20 тип D01-8
Использование вместе с различными сенсорами или в качестве
стопора.
|
0,39
|
0,68; 0,59
|
0,68; 0,59
|
64
|
|
|
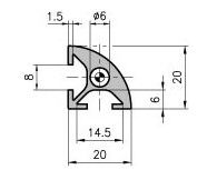
Закругленный 20 х 20 тип D03-8
Для придания эстетики небольшим конструкциям
|
0,35
|
0,47
|
0,47
|
65
|
|
|
Базовый 20 х 40 тип D01-7
Более жесткое иполнение, часто используется в комбинации с 30
мм профилем.
|
0,73
|
3,91; 1,10
|
1,95; 1,10
|
65
|
|
|
Рамочный 20 х 40 тип D01-6
Данный профиль был специально разработан для создания витрин и
прочего торгового оборудования с использованием
древесно-стружечных плит.
|
0,70
|
2,60; 1,38
|
1,21; 1,38
|
65
|
|
|
Рамочный 20 х 47 тип D01-2
Часто используется вместе с октагональным профилем при
построении выставочных стендов. При использовании с крепежными
уголками 30 х 30 мм дает жесткую раму для различных панелей и
щитов.
|
0,95
|
7,36; 1,84
|
3,13; 1,84
|
66
|
|
|
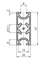
Восьмиугольный тип D01-1
Преимущественно используется в конструкциях выставочного или
торгового оборудования в качестве опор.
|
1,31
|
9,96
|
4,13
|
66
|
|
|
Рамочный 20 х 95 тип D01-4
Так же в основном используется в конструкциях торгового и
выставочного оборудования. Может применяться в качестве
облицовочных панелей.
|
1,26
|
44,26; 9,32
|
9,32; 2,75
|
67
|
|
|
Односторонний 20 х 150 тип D19-5
Специальны профиль, прекрасно подходит для облицовки, создания
щитов или полок.
|
1,86
|
142,50; 4,41
|
18,85; 4,16
|
67
|
|
Типоразмеры профиля Kanya
Продукция
|