Документация
Подробный каталог компонентов фирмы KANYA находится в нашей библиотеке.
читать >>>
Библиотека  Вся докуменация, более 10 гигабайт, доступна в нашей библиотеке. Библиотека документации >>>
|
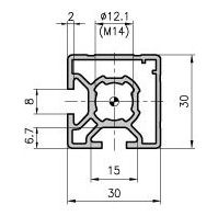
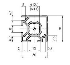
Основание 30 мм
|
|
Тип
|
Вес [кг/м]
|
Ix,y [см4]
|
Wx,y [см3]
|
Стр. каталога
|
|
|
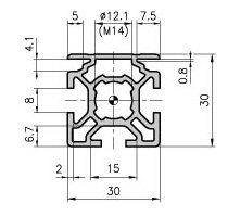
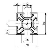
Супер облегченный 30 х 30 тип B03-1
Легкий, экономичный, но прочный универсальный профиль
используется для построения вспомогательных конструкций (пыльники,
защитные устройства, легкое лабораторное оборудование).
|
0,7
|
2,63
|
1,76
|
52
|
|
|
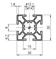
Облегченный 30 х 30 тип B02-1
Профиль для создания легких конструкций.
|
0,9
|
2,95
|
1,97
|
52
|
|
|
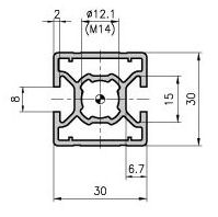
Усиленный 30 х 30 тип MB1-1
Позволяет строить компактные, но прочные конструкции.
|
1,1
|
3,77
|
2,51
|
52
|
|
|
Односторонний 30 х 30 тип B03-2
Для конструирования защитных устройств и заслонок
|
0,8
|
2,85; 2,83
|
1,90; 1,83
|
53
|
|
|
Односторонний с желобом 30 х 30 тип B02-2
Желоб позволяет вставлять в профиль листы стали или оргстекла
для создания щитов.
|
0,9
|
2,93; 2,76
|
1,93; 1,84
|
53
|
|
|
Двусторонний угловой 30 х 30 тип B02-3
Компактный профиль для создания гладких ребер.
|
0,8
|
2,7
|
1,75
|
54
|
|
|
Двусторонний угловой с желобом 30 х 30 тип B01-3
Обеспечивает жесткий угловой стык листов из различных
материалов.
|
0,8
|
2,7
|
1,75
|
54
|
|
|
Двусторонний 30 х 30 тип B02-4
Используется для придания целостности внешнему виду
конструкции.
|
0,8
|
2,73; 2,74
|
1,82; 1,83
|
55
|
|
|
Закругленный 30 х 30 тип B01-8
Используется везде, где необходима плавность линий.
|
0,8
|
2,57
|
2,02
|
55
|
|
|
Углом 300 тип B04-3
Для создания сложных геометрических конструкций высокой
прочности.
|
0,9
|
3,23; 2,89
|
1,54; 1,48
|
56
|
|
|
Углом 450 тип B04-4
Для создания сложных геометрических конструкций высокой
прочности.
|
0,9
|
3,14; 2,91
|
1,44; 1,45
|
56
|
|
|
Углом 600 тип B04-6
Для создания сложных геометрических конструкций высокой
прочности.
|
0,9
|
3,14; 2,91
|
1,44; 1,45
|
57
|
|
|
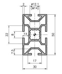
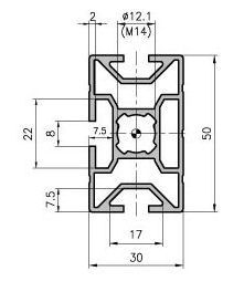
Базовый 30 х 50 тип B01-9
Прекрасно дополняет профили с другим основанием.
|
1,2
|
10,94; 4,33
|
4,38; 2,90
|
58
|
|
|
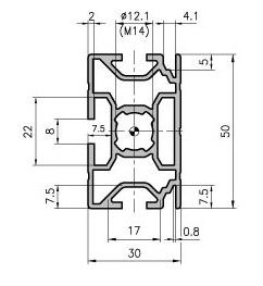
Односторонний 30 х 50 тип MB2-9
Для решения вопросов устойчивости и внешнего вида.
|
1,3
|
11,30; 4,55
|
4,52; 3,03
|
58
|
|
|
Односторонний с желобом 30 х 50 тип MB1-9
Желоб позволяет вставлять в профиль листы стали или оргстекла
для создания щитов.
|
1,3
|
11,25; 4,84
|
4,50; 3,23
|
59
|
|
|
Базовый 30 х 60 тип B01-6
Универсальный профиль, может служить несущей балкой в легких
конструкциях.
|
1,5
|
20,52; 5,20
|
6,84; 3,47
|
59
|
|
|
Рамочный 30 х 95 тип B01-7
Используется для построения прочного товарного оборудования.
|
1,8
|
55,99; 7,94
|
11,79; 5,29
|
60
|
|
|
Базовый 60 х 60 тип B02-6
Используется в качестве опор с различными возможностями
использования внутреннего пространства.
|
2,4
|
35,83
|
11,94
|
61
|
|
|
Восмиугольный тип B15-3
Профиль идеален для больших и тяжелых конструкций, либо в
качестве оси вращения. Так же может использоваться в качестве
опорной колонны.
|
2,8
|
51,01
|
14,09
|
61
|
|
|
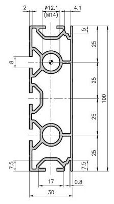
Базовый 30 х 100 тип MB1-2
Возможны применения в качестве несущих балок различных
конструкций или для ровного покрытия больших площадей. Хорошо
сочетается с профилями 40 и 50 мм.
|
2,3
|
80,77; 8,95
|
16,15; 5,97
|
62
|
|
|
Односторонний с желобом 30 х 100 тип B01-2
Возможны применения в качестве несущих балок различных
конструкций или для ровного покрытия больших площадей. Хорошо
сочетается с профилями 40 и 50 мм.
|
2,1
|
77,86; 8,79
|
15,57; 5,72
|
62
|
|
|
Односторонний с желобом 30 х 100 тип B03-3
Вертикальное положение позволяет использовать как несущую балку
с большими нагрузочными характеристиками. Так же применяется, как
прижимная, либо наборная плита.
|
5,1
|
1755,64; 26,06
|
117,04; 17,30
|
63
|
|
Типоразмеры профиля Kanya
Продукция
|